Part Number: 1157-16-14M10

SAE J518 C61 / ISO 6162-1 > O-ring Face > SAE J1926 (ORB) Threaded > Branch Tee > Carbon Steel > Metric (mm) > 1157-16-14M10

Series
SAE J518 C61 / ISO 6162-1
Face Type
O-ring Face
Port Style
SAE J1926 (ORB) Threaded
Geometry
Branch Tee
Material
Carbon Steel
Mounting
Metric (mm)
Pad Size
16    1 inch    25 mm
Port Size
14    7/8 inch   
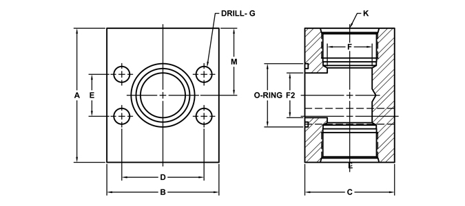
1157-16-14M10
A
4.00
B
2.82
C
1.94
D
2.062
E
1.031
G
0.41
F
1.08
K
1 3/16-12
M
2.00
F2
1.00
Mounting Kit (sold separately)
MKM 543
Screw Size
M10x1.5 x 65 SHCS
O-Ring
219
FootNotes
NOTE: The pressure rating of the assembly should NOT exceed the lower of the flange pad or the fitting. Check the fitting manufacturer for details.