Part Number: 1505-24-00M

JIS B 2291 210k SS > O-ring Face > Blind (Blanking) > In-Line > Carbon Steel > Metric (mm) > 1505-24-00M

Series
JIS B 2291 210k SS
Face Type
O-ring Face
Port Style
Blind (Blanking)
Geometry
In-Line
Material
Carbon Steel
Mounting
Metric (mm)
Extras
JIS O-ring
Pad Size
24    1 1/2 inch    40 mm
Port Size
00    NA inch   
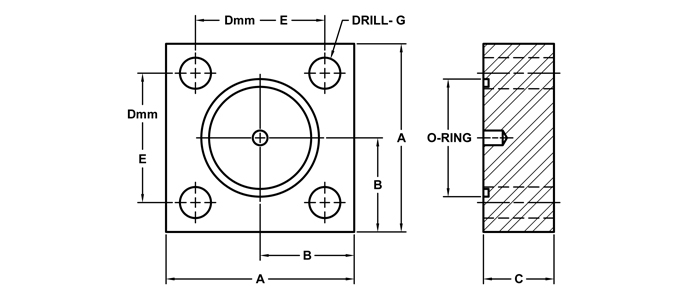
1505-24-00M
A
3.75
B
1.88
C
1.38
D
65.000
E
2.559
G
18.00
Mounting Kit (sold separately)
MKM 4575
Screw Size
M16x2 x 60 SHCS
O-Ring
G50