Part Number: 1505-40-40M

JIS B 2291 210k SS > O-ring Face > Socket Weld for Pipe > In-Line > Carbon Steel > Metric (mm) > 1505-40-40M

Series
JIS B 2291 210k SS
Face Type
O-ring Face
Port Style
Socket Weld for Pipe
Geometry
In-Line
Material
Carbon Steel
Mounting
Metric (mm)
Extras
JIS O-ring
Pad Size
40    2 1/2 inch    65 mm
Port Size
40    2 1/2 inch    65 mm
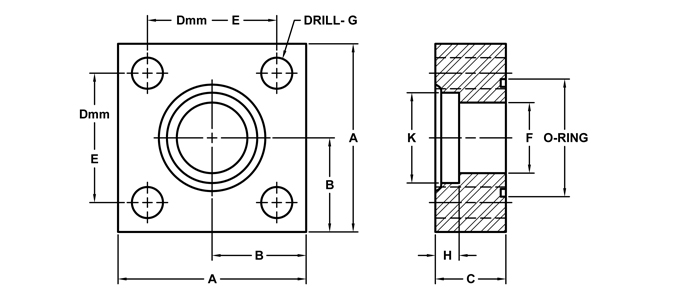
1505-40-40M
A
5.00
B
2.50
C
1.75
D
92.000
E
3.622
G
22.00
F
2.36
K
3.035
H
0.86
Mounting Kit (sold separately)
MKM 4577
Screw Size
M20x2.5 x 75 SHCS
O-Ring
G75