Part Number: 1506-08-00M

JIS B 2291 210k SS > Flat Face > Blind (Blanking) > In-Line > Carbon Steel > Metric (mm) > 1506-08-00M

Series
JIS B 2291 210k SS
Face Type
Flat Face
Port Style
Blind (Blanking)
Geometry
In-Line
Material
Carbon Steel
Mounting
Metric (mm)
Pad Size
08    1/2 inch    15 mm
Port Size
00    NA inch   
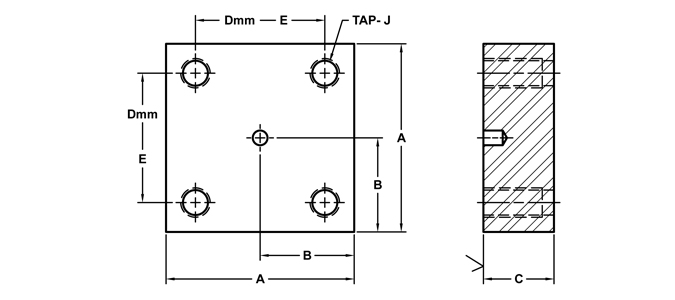
1506-08-00M
A
2.25
B
1.12
C
0.87
D
36.000
E
1.417
J
M10x1.5