Part Number: 1506-16-16M

JIS B 2291 210k SS > Flat Face > Socket Weld for Pipe > In-Line > Carbon Steel > Metric (mm) > 1506-16-16M

Series
JIS B 2291 210k SS
Face Type
Flat Face
Port Style
Socket Weld for Pipe
Geometry
In-Line
Material
Carbon Steel
Mounting
Metric (mm)
Pad Size
16    1 inch    25 mm
Port Size
16    1 inch    25 mm
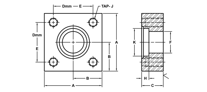
1506-16-16M
A
2.75
B
1.38
C
1.10
D
48.000
E
1.890
J
M12x1.75
F
0.98
K
1.358
H
0.55